電場監測儀
型號:FT-DC1 發布日期:2025-06-13 09:58:52
電場監測儀又稱大氣電場探測儀,電場監測儀主要面向航天國防、氣象、石油石化、電網、景區、礦山、油庫、軍事等領域大氣電場探測和雷電局域短時預警的應用需求。


型號:FT-DC1 發布日期:2025-06-13 09:58:52
電場監測儀又稱大氣電場探測儀,電場監測儀主要面向航天國防、氣象、石油石化、電網、景區、礦山、油庫、軍事等領域大氣電場探測和雷電局域短時預警的應用需求。
一、電場監測儀應用環境說明
電場監測儀又稱大氣電場探測儀,電場監測儀主要面向航天國防、氣象、石油石化、電網、景區、礦山、油庫、軍事等領域大氣電場探測和雷電局域短時預警的應用需求。電場監測儀是一種高精度的雷電監測與預警設備,能夠實時監測大氣中的電場變化,精準捕捉雷電活動的蹤跡,為雷電災害的防范提供有力支持。
在氣象監測領域,電場監測儀可廣泛應用于氣象臺站,對區域內的雷電活動進行連續、不間斷的監測,為天氣預報和氣象災害預警提供關鍵數據。通過對大氣電場變化的分析,氣象部門能夠提前預測雷電天氣的發生概率、強度和發展趨勢,及時發布雷電預警信號,為社會公眾、航空、航海等行業的安全運行提供重要參考依據。
對于各類易受雷擊的場所,如石油化工企業、通信基站、電力設施、高層建筑等,電場監測儀可作為雷電防護的重要監測工具。在這些場所周邊安裝電場監測儀,能夠實時掌握周邊大氣電場的動態變化,當監測到大氣電場強度超過預設的閾值時,及時觸發警報,提醒工作人員采取相應的防護措施,如停止戶外作業、關閉關鍵設備等,從而有效降低雷電災害對人員生命安全和設備設施造成的損失。
此外,在農業、林業等行業領域,電場監測儀也具有一定的應用價值。在農業生產中,提前獲知雷電天氣信息有助于合理安排農事活動,避免因雷電天氣導致的農作物損失,同時也有利于保障農業作業人員的安全。在林業方面,可利用電場監測儀監測雷電活動,預防雷擊引發的森林火災,為森林資源的保護提供保障。
二、電場監測儀技術性能和規格
1.技術參數
| 量程 | -100kv/m——100kv/m |
| 精度 | ±0.001%F.S |
| 響應時間 | 3s |
| 外殼材質 | 6061鋁合金 |
| 供電電壓 | 12VDC(0.5W@12V) |
| 通訊方式 | Modbus-485 |
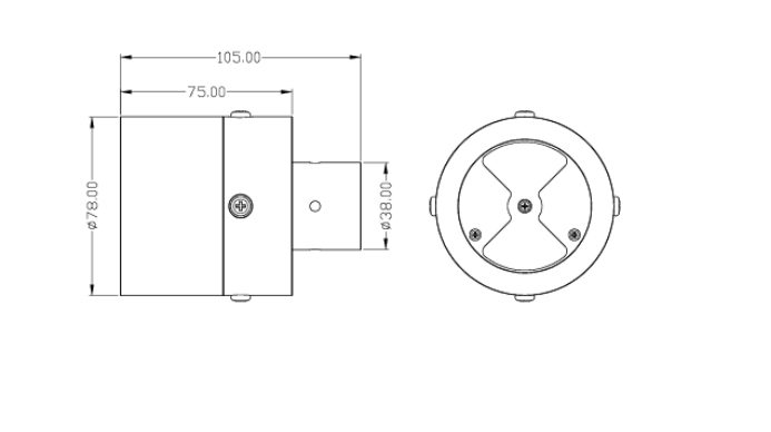
2.電場監測儀尺寸圖

三、電場監測儀安裝和電氣連接
1.安裝
1.1:本產品屬于較精密儀器,應該避免摔落沖擊等現象。
1.2:設備避免高溫,注意防水,防結冰;
1.3:開箱后的儀器應當保存在干燥、通風及無腐蝕性氣體的場所,搬運時應小心輕放,切忌劇烈振動?;覊m、潮濕以及劇烈的溫度變化會影響本產品的使用壽命,因此避免放置在這些地方。
使用時設備應有良好的接地
2.電氣安裝
線纜為4芯屏蔽線,線序定義:
1-紅色-電源線(12~24VDC)
2-藍色-地線(GND)
3-綠色-485B
4-黃色-485A